Uw gegevens. Uw keuze.

Als je alleen het noodzakelijke kiest, verzamelen we met cookies en vergelijkbare technologieën informatie over je apparaat en je gebruik van onze website. Deze hebben we nodig om je bijvoorbeeld een veilige login en basisfuncties zoals het winkelwagentje te kunnen bieden.

Als je overal mee instemt, kunnen we deze gegevens daarnaast gebruiken om je gepersonaliseerde aanbiedingen te tonen, onze website te verbeteren en gerichte advertenties te laten zien op onze eigen en andere websites of apps. Bepaalde gegevens kunnen hiervoor ook worden gedeeld met derden en advertentiepartners.

Producttest

Mesh Wi-Fi-snelheidstest: TP-Link Deco X90 gaat er echt dubbel en dwars af

Martin Jud
28/1/2022
Vertaling: machinaal vertaald

Twee Deco-X90 routers van TP-Link laten alle tot nu toe geteste mesh systemen in mijn flat achter zich in de Wi-Fi snelheidstest.

Op mijn zolderflat met twee verdiepingen test ik routers en mesh systemen. Ik bepaal het signaalniveau, de latentie en de downloadsnelheid per kamer. Deze keer doen twee Deco X90's van TP-Link mee.

Ik heb de twee recensieproducten uit ons magazijn gehaald. We bieden de router aan in een two-pack en per stuk.

TP-Link Deco X90 (2-pack) AX6600 Whole Home Mesh Wi-Fi 6
Router

TP-Link Deco X90 (2-pack) AX6600 Whole Home Mesh Wi-Fi 6

TP-Link WL-AP Toegangspunt Deco X90 Netwerksysteem/AX6600
Router

TP-Link WL-AP Toegangspunt Deco X90 Netwerksysteem/AX6600

Welke hardware en functies bieden de twee routers?

Het mesh systeem biedt Wi-Fi 6 en in elke Deco-X90 router zitten zes antennes. Vier daarvan moeten zorgen voor een sterk WLAN rond het apparaat - de twee anderen zijn verantwoordelijk voor een stabiele verbinding tussen de routers. TP-Link vertrouwt op tri-band. Met andere woorden, een derde frequentieband die moet zorgen voor een sterke verbinding - dus een sterke backhaul - tussen de netwerkapparaten in het 5 GHz-bereik.

Wie wil zijn nieuwe mGuard gebruiken?

Diegenen die hun nieuwe mesh WLAN liever opzetten met een ethernetkabel als backhaul kunnen dat met dit systeem doen. In de test ga ik echter voor de tri-band draadloze oplossing vanwege de vergelijkbaarheid met eerdere reviews.

Der Router hat zwei RJ45-Ports – einer bietet bis 2,5 Gbps, der andere ist ein Gigabit-Anschluss.
Der Router hat zwei RJ45-Ports – einer bietet bis 2,5 Gbps, der andere ist ein Gigabit-Anschluss.

De aansluitingen van de Deco X90 zijn wat karig. Het apparaat biedt slechts twee RJ45-poorten. Een ervan biedt echter een datadoorvoer tot 2,5 gigabit per seconde - de tweede tot één gigabit.

De specificaties van de Deco X90 zijn karig.

De specificaties van de Deco-X90 router:

Prozessor:1,5 GHz Quad-Core CPU
Antennen:6 × intern (4 × High-Gain, 2 × Smart – fürs Backhaul)
Ports:1 × RJ45 2,5-Gigabit, 1 × RJ45 Gigabit
2,4-GHz-Standards:IEEE 802.11ax/n/b/g
5-GHz-Standards:IEEE 802.11ax/ac/n/a
2,4 GHz Speed:bis 574 Mbps
5 GHz Speed:bis 4804 Mbps
5 GHz Speed
– drittes Band:
bis 1201 Mbps
Betriebsarten:Router, Access Point
Verschlüsselung
und Sicherheit:
WPA3-Personal, WPA2-Personal, WPA-Personal, SPI Firewall, Access Control und mehr
Features:Mesh-WLAN nach Wi-Fi-6-Standard, Tri-Band, Beamforming, 4x4 MU-MIMO, OFDMA, Guest Network, UPnP und mehr
Bedienung:Reset Button
Dimensionen:13 × 12,3 × 21 cm, 716 g

Ingebruikname via app

De ingebruikname gebeurt via de "TP-Link Deco" app, die beschikbaar is voor Android en iOS. Voor zover ik weet is het niet mogelijk om dit via de webinterface in te stellen. De webinterface kan worden opgeroepen via het IP-adres van de router. Het toont echter alleen informatie en kan niet worden gebruikt om het WLAN te configureren of voor andere primaire instellingen.

Om de twee apparaten in te stellen, moet je het IP-adres van de router invoeren.

Om de twee apparaten in te stellen, volg ik de instructies in de app. Ik sluit mijn modem via de kabel aan op de primaire router en start hem op. Ik wacht tot de LED niet meer geel oplicht, maar blauw knippert. Dan verschijnt het apparaat in de app. De app maakt verbinding met een tijdelijk open WLAN van de router - en ik mag mijn nieuwe WLAN instellen met SSID "Hack-mi-Net".

Die LED gibt durch Farben Hinweise auf den Betriebsstatus. Grün ist dabei das Ziel.
Die LED gibt durch Farben Hinweise auf den Betriebsstatus. Grün ist dabei das Ziel.

Als het eerste apparaat met de nieuwe Wi-Fi 6 operationeel is, vertelt de app me dat de router binnen 120 seconden automatisch verbinding maakt met extra mesh-knooppunten. Dit is praktisch, omdat ik het verbindingsproces niet handmatig hoef te starten. De tweede eenheid wordt perfect herkend. De LEDs van beide routers zijn nu permanent groen. Het Mesh WLAN werkt.

Je kunt de LED ook uitschakelen of alleen overdag automatisch laten branden. De bijbehorende optie is te vinden in de app, waar ook alle andere fijnafstellingen voor de nieuwe mesh worden gedaan. Ik activeer bijvoorbeeld "Fast Roaming" (IEEE 802.11r), waarmee je ononderbroken kunt schakelen tussen verschillende nodes/satellieten - de verschillende WLAN-netwerken. Ik heb goede ervaringen met deze optie en mijn terminals. Daarmee blijven videogesprekken ononderbroken, zelfs als ik door de flat loop.

Afbeelding appartement en locatie router

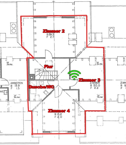
Ik heb de twee Deco X90's in mijn flat opgesteld op dezelfde plaatsen waar overeenkomstige apparaten stonden tijdens mijn vorige mesh Wi-Fi snelheidstesten. Ik heb het knooppunt dat als router fungeert opgezet op de bovenzolder van de maisonnette van 140 m² bij de meest centrale kabelaansluiting. Het uitbreidingsknooppunt wordt op de verdieping eronder in het entreegebied geplaatst. Daar, op de onderste verdieping, biedt het apparaat erboven de beste signaalsterkte - of maakt de sterkste radio-backhaul tussen de knooppunten mogelijk. Het signaal moet zich een weg banen door de vloerverwarming en het dikke gewapende beton in de flat.

Das untere Dachgeschoss. Wi-Fi-Symbol in Blau: Standort Satellit
Das untere Dachgeschoss. Wi-Fi-Symbol in Blau: Standort Satellit
Das obere Dachgeschoss. Wi-Fi-Symbol in Grün: Standort Router
Das obere Dachgeschoss. Wi-Fi-Symbol in Grün: Standort Router

Snelheid, ping en signaalsterkte per kamer

Voordat ik test, geef ik de nieuwe wi-fi drie dagen de tijd en dring hem vanuit alle kamers binnen. Dan grijp ik naar dezelfde notebook met Wi-Fi-6 als altijd - een Asus ZenBook Duo. Er draait "NetSpot" software om de signaalsterkte te bepalen en heatmaps te maken. Om de latentie te bepalen, gebruik ik mijn NAS als tegenhanger - die ping ik. Ik bepaal de downloadsnelheid door te downloaden vanaf de NAS. Ik doe alle metingen op dezelfde 37 punten in de flat, zoals altijd. Ze zijn te zien op de visualisaties hieronder.

Resultaten

De TP-Link Deco X90 mesh presteert als volgt:

Standort5-GHz-Frequenzband
Geschwindigkeit / Ping / Signalstärke
2,4-GHz-Frequenzband
Geschwindigkeit / Ping / Signalstärke
Entrée454,12 Mbps / 4 ms / −39 dBm270,75 Mbps / 4 ms / −42 dBm
Wohnzimmer444,27 Mbps / 5 ms / −60 dBm232,88 Mbps / 5 ms / −54 dBm
Essbereich434,68 Mbps / 5 ms / −59 dBm231,47 Mbps / 6 ms / −59 dBm
Küche440,52 Mbps / 4 ms / −54 dBm249,08 Mbps / 5 ms / −47 dBm
Balkon429,61 Mbps / 8 ms / −72 dBm199,49 Mbps / 9 ms / −66 dBm
Zimmer 1447,23 Mbps / 5 ms / −61 dBm227,62 Mbps / 5 ms / −51 dBm
Bad445,16 Mbps / 5 ms / −61 dBm237,56 Mbps / 6 ms / −54 dBm
Flur901,60 Mbps / 4 ms / −47 dBm293,00 Mbps / 4 ms / −55 dBm
Zimmer 2862,12 Mbps / 5 ms / −60 dBm253,15 Mbps / 5 ms / −60 dBm
Zimmer 3911,55 Mbps / 3 ms / −41 dBm317,21 Mbps / 3 ms / −38 dBm
Zimmer 4903,15 Mbps / 4 ms / −56 dBm282,80 Mbps / 4 ms / −51 dBm
Dusche/WC901,70 Mbps / 4 ms / −55 dBm273,64 Mbps / 4 ms / −56 dBm
Ø 1. Dachgeschoss442,23 Mbps / 5 ms / −58 dBm235,55 Mbps / 6 ms / −53 dBm
Ø 2. Dachgeschoss896,02 Mbps / 4 ms / −52 dBm283,96 Mbps / 4 ms / −52 dBm
Ø Wohnung631,31 Mbps / 5 ms / −55 dBm255,72 Mbps / 5 ms / −53 dBm

Op de bovenzolder gaat het nieuwe WLAN er als een raket vandoor. Het gaat ook door muren heen als een heet mes door boter. Hij bereikt ongeveer 900 Mbps in alle ruimtes in de 5 GHz frequentieband. Ik heb nog nooit een router gehad die op één niveau zo goed presteerde. Het sterkste apparaat tot nu toe was een Linksys Velop AX4200 met een gemiddelde van 782,61 Mbps op de bovenste verdieping. Hetzelfde geldt voor de 2,4 GHz frequentieband, waar TP-Link gemiddeld 283,96 Mbps levert. Eerder was het hoogste van de gevoelens 184,03 Mbps - ook met de Linksys router.

Op de onderste zolder haal ik met TP-Link nog steeds een goede 442,23 Mbps op 5 GHz. De snelheid is gehalveerd, maar nog steeds immens hoog - minstens 44 procent van de snelheid van mijn internetverbinding. Dit is echter niet de beste prestatie. Netgear was een stuk sneller met de Orbi AX6000 en een gemiddelde van 601,18 Mbps. Op 2,4 GHz is de Asus ZenWiFi AX tot nu toe koploper met 146,42 Mbps. TP-Link overtreft dat keurig met 235,55 Mbps.

Over het hele huis is de TP-Link mesh de nieuwe Wi-Fi snelheidstestkoning met respectievelijk 631,31 Mbps en 255,72 Mbps - zoals te zien is in de onderstaande vergelijking van de concurrenten. Maar eerst nog even kijken naar de latency - de ping - en vooral de signaalsterkte.

De reactietijd die een signaal nodig heeft om zijn weg te vinden van de laptop naar de NAS en terug - de ping - bedraagt gemiddeld vijf milliseconden in beide frequentiebanden. Een goede waarde die perfect past bij mijn niet-professionele online spelvaardigheden. Overigens is het geen enkel mesh-systeem of enkele router ooit gelukt om in het woongedeelte minder dan drie milliseconden te halen - dat kan alleen met een bekabelde verbinding.

Visualisatie van 5 GHz WLAN-dekking

Signaalsterkte gemiddeld -55 decibel milliwatt (dBm) in de 5 GHz frequentieband in het hele huis. Een sterke waarde en de op één na sterkste die ik ooit heb gemeten. Een Swisscom mesh bestaande uit Internet Box 3 en WLAN Box 2 haalde ook -55 dBm - alleen de Velop AX4200 van Linksys met -54 dBm was tot nu toe nog beter.
.
De enige plaats waar bepaalde eindapparaten van band/netwerk kunnen veranderen vanwege een te zwak signaal is het balkon. Hier is het signaal -72 dBm. Met bepaalde apparaten bedoel ik smartphones zoals de iPhone. Hij moet bijvoorbeeld alleen de voorkeur geven aan de 5 GHz frequentieband tot -65 dBm en dan overschakelen naar 2,4 GHz. Van daaruit zou hij moeten overschakelen op mobiel internet bij -70 dBm. In elk geval ben ik blij dat mijn apparaten nog steeds -75 dBm aankunnen. En ze verliezen niet veel snelheid vergeleken met de andere kamers op dezelfde verdieping. Dat was tot nu toe niet de regel.

De volgende heat maps visualiseren de goede signaaldekking. De signaalsterkte wordt daarop weergegeven door kleuren. Ik heb de schaling van de weergave ingesteld van -35 tot -80 dBm. Boven -80 dBm kunnen de meeste apparaten niet meer met de router communiceren. Hoge dBm-waarden zijn daarom beter dan lage. Hoe meer de inkleuring op de visualisaties van rood, geel en groen naar blauw gaat, hoe slechter.

5-GHz-Signalpegel im unteren Dachgeschoss
5-GHz-Signalpegel im unteren Dachgeschoss
5-GHz-Signalpegel im oberen Dachgeschoss
5-GHz-Signalpegel im oberen Dachgeschoss

Visualisatie van 2,4 GHz WLAN-dekking

Voor de 2,4 GHz frequentieband is het vlakke gemiddelde -53 dBm. Het blijft turquoise groen, zelfs op het balkon, dus het heeft typisch iets betere prestaties in termen van bereik vergeleken met 5 GHz.

2,4-GHz-Signalpegel im unteren Dachgeschoss
2,4-GHz-Signalpegel im unteren Dachgeschoss
2,4-GHz-Signalpegel im oberen Dachgeschoss
2,4-GHz-Signalpegel im oberen Dachgeschoss

Vergelijking met de concurrentie

Vergeleken met de tot nu toe geteste mesh-systemen staat TP-Link er het beste voor. De kroon behoort momenteel toe aan de Deco X90. Toch blijkt uit de rangschikking dat het, althans in het 5 GHz frequentiegebied, slechts extreem dicht bij elkaar lag over beide verdiepingen. Netgear is vrijwel gelijk met de Orbi en slechts 1,67 Mbps minder.

De 5 GHz vergelijking:

Mesh-WLAN-SystemØ Wohnung 5-GHz-Frequenzband
Geschwindigkeit / Ping / Signalstärke
TP-Link Mesh: Deco X90
(Wi-Fi 6, 2 Zugangspunkte)
631,31 Mbps / 5 ms / −55 dBm
Netgear Mesh: Orbi AX6000
(Wi-Fi 6, 2 Zugangspunkte)
629,64 Mbps / 5 ms / −58 dBm
Linksys Mesh: Velop AX4200
(Wi-Fi 6, 2 Zugangspunkte)
525,23 Mbps / 7 ms / −54 dBm
Swisscom Mesh Wi-Fi 6
(Internet-Box 3 + WLAN-Box 2)
482,14 Mbps / 3 ms / −55 dBm
Asus Mesh: ZenWiFi AX6600
(Wi-Fi 6, 2 Zugangspunkte)
467,36 Mbps / 3 ms / −57 dBm
Devolo Mesh: Magic 2 WiFi 6
(3 Zugangspunkte)
220,15 Mbps / 6 ms / −62 dBm
Devolo Mesh: Mesh WiFi 2
(Wi-Fi 5, 3 Zugangspunkte)
214,44 Mbps / 6 ms / −60 dBm

De 2,4 GHz vergelijking:

Mesh-WLAN-SystemØ Wohnung 2,4-GHz-Frequenzband
Geschwindigkeit / Ping / Signalstärke
TP-Link Mesh: Deco X90
(Wi-Fi 6, 2 Zugangspunkte)
255,72 Mbps / 5 ms / −53 dBm
Linksys Mesh: Velop AX4200
(Wi-Fi 6, 2 Zugangspunkte)
150,82 Mbps / 7 ms / −59 dBm
Asus Mesh: ZenWiFi AX6600
(Wi-Fi 6, 2 Zugangspunkte)
139,77 Mbps / 3 ms / −56 dBm
Netgear Mesh: Orbi AX6000
(Wi-Fi 6, 2 Zugangspunkte)
128,53 Mbps / 5 ms / −54 dBm
Devolo Mesh: Magic 2 WiFi 6
(3 Zugangspunkte)
128,09 Mbps / 7 ms / −59 dBm
Devolo Mesh: Mesh WiFi 2
(Wi-Fi 5, 3 Zugangspunkte)
126,70 Mbps / 7 ms / −57 dBm
Swisscom Mesh Wi-Fi 6
(Internet-Box 3 + WLAN-Box 2)
117,26 Mbps / 4 ms / −59 dBm

Samenvatting: Sterk maassysteem met veel snelheid

De TP-Link Deco X90 Mesh heeft grote indruk op me gemaakt. 896,02 Mbps op 5 GHz op de bovenzolder is een claim die eerst een ander systeem moet overtreffen. Op de onderste zolder is 442,23 Mbps nog steeds ongeveer de helft van de snelheid. Dat is niet de beste prestatie, maar nog steeds een zeer goede waarde.

Die beiden Router legen im Test eine beeindruckende Performance hin.
Die beiden Router legen im Test eine beeindruckende Performance hin.

In een competitieve vergelijking over het hele huis komt TP-Link met 631,31 Mbps op 5 GHz op gelijke hoogte met de Netgear Orbi AX6000, die op zijn beurt uitkomt op 629,64 Mbps. In het 2,4 GHz-bereik houdt TP-Link met 255,72 Mbps het beste systeem tot nu toe, een Linksys Velop AX4200 Mesh, op afstand met een vette winst van 100 Mbps.

Prijsgewijs is de Deco X90 in het middensegment vergeleken met andere gaassystemen. Ik kan het aanbevelen vanwege de goede prestaties. Het enige wat me stoort aan het onderdeel is dat de routers elk maar twee netwerkpoorten hebben. Eén ervan is immers ontworpen voor een snelheid tot 2,5 Gbps.

28 mensen vinden dit artikel leuk


User Avatar
User Avatar

De dagelijkse kus van de muze stimuleert mijn creativiteit. Als ze me vergeet, probeer ik mijn creativiteit terug te winnen door te dromen, zodat het leven mijn dromen niet verslindt.


Producttest

Onze experts testen producten en hun toepassingen. Onafhankelijk en neutraal.

Alles tonen

Deze artikelen kunnen je ook interesseren

  • Producttest

    Geteste Mesh Wi-Fi: TP-Link Deco BE85 maar half overtuigend

    van Martin Jud

  • Producttest

    AVM mesh in de Wi-Fi-snelheidstest: Fritz!Box 4060 en Fritz!Repeater 6000

    van Martin Jud

  • Producttest

    Wi-Fi-concurrentie overtroffen: Asus ROG Rapture GT6 Mesh getest

    van Martin Jud

15 opmerkingen

Avatar
later